Mjerač višestruke mlaznice hladne vode (suhi tip)
(Klasa C, 8 znamenki i 1 pokazivač)


Uvod u proizvodnju:
LXSG-E8 (Dn15 mm do 65 mm), serija mehaničkih višesmjernih mjerača hladne vode veličine 15 do 65 mm. Ima 8 znamenki i 1 pokazivač za lakše čitanje. Točnost može biti klasa C ili R160.
Značajke:
* Dizajn s više mlaznica.
*Vodoravna ugradnja.
*Magnetski prijenos, anti-magnetski, može spriječiti smetnje vanjskog magnetskog polja.
*Suhi brojač je vakuumski zatvoren, protiv kondenzacije i može držati jasna očitanja dugo vremena.
* Korištenje visokokvalitetnih materijala, stabilne i pouzdane performanse
*Serija ima snažnu svestranost, laka je za zamjenu i održavanje
* Točnost mjerenja je visoka. Tehnički pokazatelji mjerača u skladu su sa standardima ISO4064 klase B ili klase C ili standardima R80, R100, R125 i R160.
*Tijelo od mjedi može biti originalno obojeno ili epoksidno premazano, a imamo i kućišta od plastike, lijevanog željeza ili nehrđajućeg čelika.
* Pogodno za hladnu vodu ≤50 ℃ ili toplu vodu ≤90 ℃
*Tlak vode: ≤1MPa ili 1.6MPa (10bar ili 16bar)
* Dostupno s nepovratnim ventilom i ulaznim filtrom.
*Dostupna funkcija daljinskog impulsnog izlaza prema zahtjevima korisnika.
*Registar može imati 5 valjaka i 4 pokazivača.

Pribor:
Svaki mjerač vode ima jednu sklopku za izbor, opcionalno: 2 kom, 2 komada i 2 brtve
Tehnički podaci:


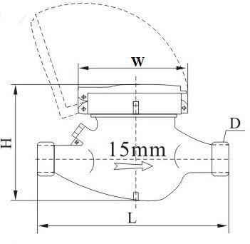
Dimenzije:



Sadržaji:







Popularni tagovi: Mjerač hladne vode, Kina, proizvođači, dobavljači, tvornica











